Überwachung Energiespeicher
Brandschutz & Batterien
Neue Technologie sorgt für Herausforderungen und Chancen
Der Einsatz von Lithium-Ionen-Batterien nimmt in der Industrie aber auch in Privathaushalten stetig zu – besonders hinsichtlich der Nutzung erneuerbarer Energien und von E-Mobilität. Die Nutzung und Lagerung der Batterietechnologie ist für Unternehmen aus Produktion, Logistik und Recycling anspruchsvoll, insbesondere in Sachen Brandrisiko und Löschvorgänge.
Diverse Risiken im Lebenszyklus von Batterien
• Tiefenentladung
• Überladen und Überhitzung beim Aufladen
• Falsche/defekte Ladegeräte oder Fehlbedienung
• Beschädigungen (durch Temperaturschwankungen, Transport, Produktionsfehler, physiche Einwirkung)
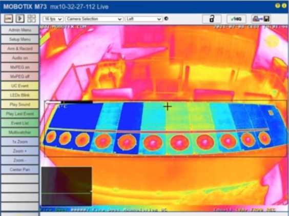
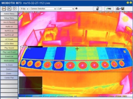
Werte und Leben retten mit schnellem Handeln
Ein besonderes Risiko von Batteriebränden ist der „Thermal Runaway“ (thermisches Durchgehen). Eine solche Kettenreaktion dauert vom Start bis zur Explosion weniger als 60 Sekunden. Die schnelle Branddetektion ist hier unerlässlich. Bauen Sie auf individuelle MOBOTIX Lösungen, die exakt abgestimmt sind auf Ihre Anforderungen vor Ort. MOBOTIX Batterie-Überwachungssysteme können zuverlässig Werte und Leben retten.
